| 前へ | TR規格表一覧へ | 次へ |
| 型名 | 社名 Mnf. |
用途 App. |
構造 Type |
最大定格 Max. Ratings (Ta=25゚C) | 電気的特性 Elec. Character. (Ta=25゚C) | 外形 Pac. Dim. No. |
備考 | ||||||||
| VCBO | VEBO | Ic | Pc | Tj | 直流又はパルスhFE | fab/ft* | Cob | ||||||||
| (V) | (V) | (mA) | (mW) | (゚C) | VCE(V) | Ic(mA) | (MHz) | (pF) | |||||||
| 2SC1204 | 日立 | RF.AF | Si.EP | 30 | 100 | 310 | 125 | 250 | 12 | 2 | 230* | 1.8 | 37A | ||
| 旧2SC1205 | " | RF.Mix. Conv.Osc |
Si.P | 30 | 100 | 310 | 125 | 120 | 12 | 2 | 230* | 1.5 | 37 | ||
| 2SC1205 | " | RF.Mix. Conv.Osc |
Si.P | 30 | 100 | 310 | 125 | 120 | 12 | 2 | 230* | 1.5 | 37A | ||
| 2SC1206 | 三菱 | RF.PA | Si.EP | 45 | 4.5 | 1.7A | 25W(Tc=25゚C) | 175 | 50 | 25 | 50 | 209 | |||
| 2SC1206A | 三菱 | PA | Si.EP | 45 | 4.5 | 1.7A | 25W(Tc=25゚C) | 175 | 50 | 25 | 50 | 209 | |||
| 2SC1206B | 三菱 | PA | Si.EP | 45 | 4.5 | 2A | 25W(Tc=25゚C) | 175 | 50 | 25 | 50 | 209 | |||
| 2SC1207 | " | " | " | 45 | 4.5 | 3A | 30W(Tc=25゚C) | 175 | 50 | 25 | 50 | 209 | |||
| 2SC1207A | 三菱 | PA | Si.EP | 209 | |||||||||||
| 2SC1207B | 三菱 | PA | Si.EP | 45 | 4 | 4A | 50W(Tc=25゚C) | 175 | 209 | ||||||
| 2SC1208 | " | " | " | 36 | 5 | 10A | 60W(Tc=25゚C) | 175 | 50 | 10 | 500 | 127 | |||
| 2SC1208A | 三菱 | PA | Si.EP | 36 | 5 | 10A | 60W(Tc=25゚C) | 175 | 127 | ||||||
| 2SC1209 | " | " | " | 25 | 4 | 700 | 500 | 125 | 100 | 1 | 500 | 150* | 15 | 138B | 2SA695とコンプリ |
| 2SC1210 | " | " | " | 45 | 4 | 500 | 500 | 125 | 100 | 2 | 150 | 130* | 10 | 138B | 2SA696とコンプリ |
| 2SC1211 | 三菱 | RF.PA | Si.EP | 65 | 4 | 500 | 500 | 125 | 100 | 2 | 150 | 130* | 10 | 138 | 2SA697とコンプリ |
| 2SC1212 | 日立 | PA | Si.EPa | 50 | 4 | 1A | 8W(Tc=25゚C) | 150 | 60-200 | 4 | 50 | 160* | 30 | 160 | 2SA743とコンプリ |
| 2SC1212A | 日立 | PA | Si.EPa | 80 | 4 | 1A | 8W(Tc=25゚C) | 150 | 60-200 | 4 | 50 | 160* | 30 | 160 | 2SA743Aとコンプリ |
| 2SC1213 | " | AF | " | 35 | 4 | 500 | 400 | 125 | 60-320 | 3 | 10 | 138 | 2SA673とコンプリ | ||
| 2SC1213A | 日立 | AF | Si.EPa | 50 | 4 | 500 | 400 | 125 | 60-320 | 3 | 10 | 138 | 2SA673Aとコンプリ | ||
| 2SC1214 | " | " | " | 50 | 4 | 500 | 600 | 125 | 60-320 | 3 | 10 | 138 | |||
| 2SC1215 | 松下 | " | Si.EP | 30 | 3 | 50 | 400 | 150 | 100 | 10 | 2 | 1200* | Cre 1pF | 138 | |
| 2SC1216 | 日電 | SW | Si.E | 40 | 5 | 200 | 300 | 150 | 140 | 1 | 10 | 500* | 3 | 49C | |
| 2SC1217 | " | RF.SW | " | 150 | 5 | 300 | 750 | 175 | 70 | 10 | 50 | 250* | 3.7 | 84B | 2SA712とコンプリ |
| 2SC1218 | " | " | " | 80 | 5 | 500 | 750 | 175 | 80 | 10 | 50 | 370* | 3.5 | 84B | |
| 2SC1219 | 富士通 | RF | Si.EP | 30 | 5 | 500 | 200 | 125 | 160 | 2 | 100 | 60* | 12 | 138 | |
| 2SC1220 | " | " | " | 50 | 5 | 500 | 200 | 125 | 160 | 2 | 100 | 60* | 12 | 138 | |
| 2SC1221 | |||||||||||||||
| 2SC1222 | 日電 | RF.LN | Si.E | 60 | 5 | 100 | 250 | 125 | 500 | 3 | 0.5 | 100* | 3.5 | 138 | 2SA640とコンプリ |
| 2SC1223 | 三菱 | PA | Si.EP | 30 | 4 | 500 | 800 | 175 | 70 | 15 | 30 | 84B | |||
| 2SC1224 | " | SW.PA | " | 130 | 5 | 800 | 7W(Tc=25゚C) | 150 | 100 | 4 | 300 | 132 | |||
| 2SC1226 | 松下 | PA | Si.EP | 40 | 5 | 2A | 10W(Tc=25゚C) | 150 | 120 | 5 | 1A | 150* | 50 | 161 | 2SA699とコンプリ |
| 2SC1226A | 松下 | PA | Si.EPa | 50 | 5 | 2A | 10W(Tc=25゚C) | 150 | 120 | 5 | 1A | 150* | 50 | 161 | 2SA699Aとコンプリ |
| 2SC1227 | 富士通 | SW | Si.TMe | 300 | 5 | 10A | 100W(Tc=25゚C) | 175 | 50 | 5 | 5A | 27* | 102 | ||
| 2SC1228 | " | " | " | 500 | 5 | 10A | 100W(Tc=25゚C) | 175 | 15 | 5 | 5A | 15* | 102 | ||
| 2SC1229 | " | " | " | 250 | 5 | 10A | 100W(Tc=25゚C) | 175 | 50 | 5 | 5A | 27* | 102 | ||
| 2SC1230 | " | " | " | 450 | 5 | 10A | 100W(Tc=25゚C) | 175 | 15 | 5 | 5A | 15* | 102 | ||
| 2SC1231 | " | " | Si.E | 20 | 4 | 200 | 300 | 175 | 60 | 1 | 10 | 800* | 2 | 49C | |
| 2SC1232 | " | PA | " | 45 | 3.5 | 1A | 12W(Tc=25゚C) | 175 | 50 | 5 | 500 | 133 | |||
| 2SC1233 | " | " | " | 45 | 3.5 | 2A | 20W(Tc=25゚C) | 175 | 50 | 5 | 1A | 133 | |||
| 2SC1235 | 三洋 | RF.PA | Si.T | 300 | 4 | 100 | 6.5W(Tc=25゚C) | 150 | 30-160 | 10 | 50 | 60* | 7.5 | 99 | |
| 2SC1236 | 東芝 | LN | Si.EP | 20 | 2 | 30 | 200 | 175 | 70 | 10 | 10 | 6500* | 0.8 | 140 | |
| 2SC1237 | " | PA | Si.EMe | 85 | 4 | 2A | 10W(Tc=25゚C) | 150 | 40 | 5 | 500 | 100* | 30 | 268 | |
| 旧2SC1238 | 三菱 | " | Si.EP | 35 | 4 | 150 | 5W(Tc=25゚C) | 175 | 50 | 15 | 40 | 157(72) | |||
| 2SC1238 | 三菱 | " | Si.EP | 35 | 4 | 150 | 5W(Tc=25゚C) | 175 | 50 | 15 | 40 | 312 | |||
| 2SC1239 | " | " | " | 80 | 4.5 | 4A | 12.5W(Tc=25゚C) | 175 | 50 | 10 | 100 | 97B | |||
| 旧2SC1240 | " | RF | " | 40 | 3 | 50 | 350 | 175 | 70 | 10 | 10 | 600* | 1・5 | 138 | |
| 2SC1240 | " | RF | " | 40 | 3 | 50 | 350 | 175 | 70 | 10 | 10 | 600* | 1・5 | 138B | |
| 2SC1241 | 東芝 | PA | Si.EP | 40 | 4 | 1.5A | 10W(Tc=25゚C) | 175 | >10 | 5 | 500 | 400* | 18 | 135 | |
| 2SC1241A | 東芝 | PA | Si.EP | 35 | 3.5 | 2A | 20W(Tc=25゚C) | 175 | 50 | 5 | 1A | 135 | |||
| 2SC1242 | " | " | " | 40 | 4 | 3A | 20W(Tc=25゚C) | 175 | >10 | 5 | 800 | 350* | 40 | 135 | |
| 2SC1242A | 東芝 | PA | Si.EP | 35 | 3.5 | 4.5A | 20W(Tc=25゚C) | 175 | 40 | 5 | 1.5A | 135 | |||
| 2SC1243 | 三菱 | SW.PA | " | 25 | 5 | 1.5A | 7W(Tc=25C) | 150 | 100 | 4 | 500 | 132 | 2SA703とコンプリ | ||
| 2SC1244 | " | SW | " | 30 | 4 | 50 | 200 | 125 | 60 | 6 | 1 | 138B | |||
| 2SC1246 | 富士通 | RF | Si.EP | 30 | 5 | 500 | 500 | 175 | 60-500 type:160 |
2 | 100 | 60* | 12 | 138 | |
| 2SC1247 | " | " | " | 50 | 5 | 500 | 500 | 175 | 60-500 type:160 |
2 | 100 | 60* | 12 | 138 | |
| 2SC1247A | 富士通 | AF.PA | Si.EP | 50 | 5 | 500 | 500 | 150 | 160 | 2 | 100 | 60* | 12 | 138 | |
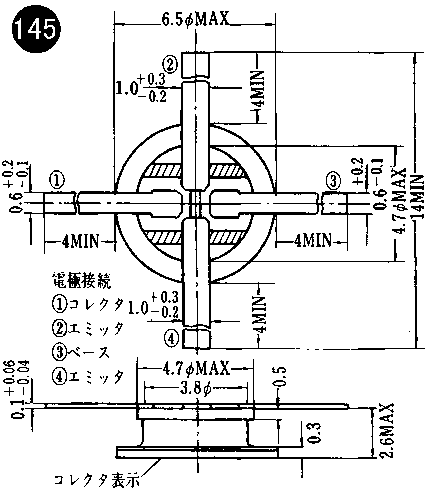
| 2SC1248 | 日電 | LN | Si.E | 20 | 3 | 30 | 300 | 150 | 100 | 10 | 7 | 2500* | 1.2 | 145 | |
| 2SC1249 | " | RF | " | 45 | 3 | 300 | 2.8W 50x50x1 放熱板使用 |
150 | 80 | 15 | 65 | 1700* | 3 | 146A | |
| 2SC1250 | " | " | " | 45 | 3 | 300 | 2.8W 50x50x1 放熱板使用 |
150 | 80 | 15 | 65 | 1900* | 3 | 146B | |
| 2SC1251 | " | " | " | 45 | 3 | 300 | 7W(Tc=25゚C) | 200 | 20-200 | 10 | 50 | 2200* | NF=3.5dB (f=200MHz) | 129 | |
| 2SC1252 | " | " | " | 45 | 3 | 300 | 800 | 200 | 20-200 | 10 | 50 | 1700* | NF<4dB(f=200MHz) | 84B | |
| 2SC1253 | " | " | " | 45 | 3 | 300 | 800 | 200 | 20-200 | 15 | 50 | 2000* | NF=3dB(f=200MHz) | 84B | |
| 2SC1254 | " | " | " | 45 | 4 | 30 | 250 | 200 | 100 | 6 | 6 | 1000* | NF=3dB(f=200MHz) | 50C | |
| 2SC1255 | " | " | " | 30 | 3 | 100 | 3.5W(Tc=25゚C) | 200 | 100 | 10 | 50 | 2700* | 1 | 129 | |
| 2SC1256 | " | PA | " | 36 | 4 | 800 | 5.5W(Tc=25゚C) | 200 | 50 | 10 | 300 | 84C | |||
| 2SC1257 | " | " | " | 36 | 4 | 1.5A | 14W(Tc=25゚C) | 200 | 50 | 10 | 800 | 184 | |||
| 2SC1258 | " | " | " | 36 | 4 | 3A | 28W(Tc=25゚C) | 200 | 50 | 10 | 1.5A | 184 | |||
| 2SC1259 | " | " | " | 36 | 4 | 6A | 58.3W(Tc=25゚C) | 200 | 50 | 10 | 3A | 149 | |||
| 2SC1260 | " | RF | " | 45 | 4 | 30 | 250 | 200 | 40-200 | 6 | 6 | 2000* | NF=3dB(f=500MHz) | 50C | |
| 2SC1261 | 富士通 | LN | Si.EP | 20 | 3 | 20 | 300 | 150 | 100 | 10 | 7 | 2500* | 1.2 | 147 | |
| 2SC1262 | " | RF | " | 45 | 3 | 300 | 2.8W 50x50x1 放熱板使用 |
150 | 80 | 15 | 65 | 1700* | 3 | 148 | |
| 2SC1263 | " | " | " | 45 | 3 | 300 | 2.8W 50x50x1 放熱板使用 |
150 | 80 | 15 | 65 | 1900* | 3 | 148 | |
| 2SC1264 | " | " | " | 30 | 3 | 100 | 400 | 150 | 100 | 10 | 40 | 2000* | 2.3 | 147 | |
| 2SC1265 | 日電 | Diff | Si.E | 20 | 3 | 50 | 300 | 175 | 100 | 5 | 1 | 3000* | 1.5 | 189 | |
| 2SC1266 | " | SW | " | 100 | 5.5 | 1.5A | 2W | 175 | 60 | 1 | 400 | 150* | 30 | 83 | |
| 2SC1267 | " | RF | " | 45 | 3 | 300 | 7W(Tc=25゚C) | 200 | 80 | 15 | 50 | 129 | |||
| 2SC1268 | " | " | " | 20 | 3 | 50 | 250 | 200 | 100 | 8 | 10 | 6000* | NF=4.3dB (f=4GHz) |
190 | |
| 2SC1269 | " | " | " | 20 | 3 | 50 | 250 | 200 | 100 | 8 | 10 | 6500* | NF=4.8dB (f=4GHz) |
190 | |
| 2SC1270 | " | " | " | 20 | 3 | 50 | 250 | 200 | 100 | 8 | 10 | 6500* | NF=5.5dB (f=4GHz) |
190 | |
| 2SC1271 | 日電 | RF | Si.E | 20 | 3 | 30 | 250 | 200 | 100 | 8 | 10 | 6000* | Cre 0.4 | 190 | |
| 2SC1271A | 日電 | RF | Si.E | 20 | 3 | 30 | 250 | 200 | 100 | 8 | 10 | 6000* | Cre0.4 | 190 | |
| 2SC1272 | " | " | " | 20 | 3 | 100 | 1W | 200 | 80 | 10 | 40 | 4000* | Cre<2 | 190 | |
| 2SC1273 | " | " | " | 20 | 3 | 100 | 1W(Tc=25C) | 175 | 80 | 10 | 40 | 190 | |||
| 2SC1274 | " | SW | " | 40 | 5 | 300 | 300 | 175 | 70 | 1 | 30 | 350* | 2.5 | 49C | |
| 2SC1275 | " | RF | " | 30 | 3 | 50 | 250 | 200 | 80 | 10 | 10 | 2000* | 1.1 | 50C | |
| 2SC1276 | " | RF.SW | " | 40 | 5 | 100 | 200 | 125 | 120 | 1 | 10 | 600* | 3 | 138 | |
| 2SC1277 | " | RF | " | 60 | 5 | 500 | 250 | 125 | 140 | 2 | 100 | 60* | 20 | 138 | |
| 2SC1278 | " | RF.SW | " | 150 | 5 | 50 | 250 | 125 | 120 | 3 | 15 | 150* | 4.5 | 138 | |
| 2SC1279 | " | " | " | 180 | 5 | 50 | 250 | 125 | 120 | 3 | 15 | 150* | 4.5 | 138 | |
| 2SC1280 | " | RF | Si.E | 15 | 10 | 300 | 250 | 125 | 20,000 | 5 | 100 | 180* | 5 | 138 | ダーリントン |
| 2SC1280A | 日電 | RF | Si.E | 40 | 10 | 300 | 250 | 125 | 30,000 | 2 | 100 | 180* | 5 | 138 | ダーリントン |
| 2SC1281 | 沖 | " | Si.P | 20 | 5 | 20 | 300 | 175 | 200 | 1 | 10uA | 120* | 2 | 49C | |
| 2SC1282 | " | " | " | 70 | 5 | 20 | 300 | 175 | 73 | 1 | 2 | 120* | 2 | 49C | |
| 2SC1283 | " | " | " | 110 | 5 | 20 | 300 | 175 | 73 | 1 | 2 | 120* | 2 | 49C | |
| 2SC1284 | 三洋 | Osc | Si.EP | 30 | 3 | 50 | 200 | 125 | 25-200 | 6 | 1 | 700* | Cre 0.92 | 138 | |
| 2SC1285 | " | RF.AF | Si | 40 | 5 | 100 | 200 | 125 | 200 | 6 | 1 | 140* | 3 | 138 | |
| 2SC1288 | 沖 | RF.SW | Si.EP | 7 | 3 | 60 | 200 | 175 | 50 | 1 | 20 | 4500* | 1 | 144 | |
| 2SC1290 | 沖 | PA | Si.EP | 40 | 3 | 200 | 750 | 175 | 70 | 10 | 100 | 1500* | 2 | 84B | |
| 2SC1292 | 三菱 | PA.SW | Si.EMe | 300 | 5 | 2.5A | 80W(Tc=25゚C) | 150 | 25 | 10 | 500 | 102 | |||
| 2SC1293 | 三洋 | RF | Si.EP | 25 | 3 | 50 | 300 | 125 | 15-120 | 6 | 1 | 400* | Cre 1.3 | 138 | |
| 2SC1295 | 三洋 | PA | Si.TMe | 1000 | 7 | 2A | 40W(Tc=25゚C) | 150 | 3-13 | 5 | 1A | 102 | |||
| 2SC1296 | " | SW | Si.T | 1300 | 6 | 5A | 50W(Tc=25゚C) | 150 | >4 | 5 | 3.5A | 102 | |||
| 2SC1297 | 日電 | PA | Si.E | 50 | 4 | 3.5A | 50W(Tc=25゚C) | 175 | 50 | 10 | 2A | 190* | 75 | 149 | |
| 2SC1298 | " | " | " | 50 | 4 | 5A | 80W(Tc=25゚C) | 175 | 50 | 10 | 3A | 130* | 110 | 149 | |
| 2SC1299 | 富士通 | SW | Si.TMe | 300 | 5 | 30A | 200W(Tc=25゚C) | 175 | 40 | 5 | 10A | 25* | 191 | ||
| 2SC1300 | " | " | " | 500 | 5 | 30A | 200W(Tc=25゚C) | 175 | 25 | 5 | 15A | 20* | 191 | ||
| 前へ | TR規格表一覧へ | 次へ |