| FET規格表一覧へ | 次へ |
| 型名 |
社名 Mnf. |
用途 App. |
構造 Type |
V*** | ID | Pd/Pch | Tj /Tch | IDSS(mA) | gm(mS) | Cis(pF) | Crs(pF) | その他 |
外形 Pac. Dim. No. |
型名 |
|||||||||
| min | max | VDS | min | typ | max | VDS | ID | typ | max | typ | max | ||||||||||||
| (V) | mode | (mA) | (mW) | (゚C) | (V) | (V) | (mA) | ||||||||||||||||
| UN07 | 新電元 | -100 | GDO | 50 | 250 | 125 | 1 |
24 |
50 |
3.8 | 50 | 1 | 10 |
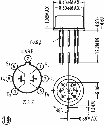
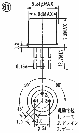
136 | UN07 | ||||||||
| 2N3954 (FD1684) |
-50 | GD | 250/unit | 200 | 0.5 |
5 |
20 |
1 | 3 | 20 | IDSS | 4 | 001 | 2N3954 (FD1684) |
|||||||||
| E-400 | -40 | GD | 350 | 002 | E-400 | ||||||||||||||||||
| FD1840 | -50 | 250 | 0.5 |
5 |
1 | 3 | 3.2 |
FD1840 | |||||||||||||||
| FM1111 | NS | J | -25 | 500 | 200 | 10 | 0.5 | 6 | 5 | ![]() |
FM1111 | ||||||||||||
| M21F | 松下 | ECM | MOS | M21F | |||||||||||||||||||
| M47F | 松下 | LF, LN | J | -30 | GDS | 250 | 125 | 20 |
10 |
8 | 10 | Dual, M4Fとコンプリ | M47F | ||||||||||
| uPA60A | 日電 | Diff | J | -40 | GDO | 250/unit | 175 | 0.5 |
5 |
10 |
1 | 2 | 10 | 0.5 | 2.5 |
5 |
0.5 | 1.5 | 111 | uPA60A | |||
| uPA61A | 日電 | Diff | J | -40 | GDO | 250/unit | 175 | 0.5 |
5 |
10 |
1 | 2 | 10 | 0.5 | 2.5 |
5 |
0.5 | 1.5 | 111 | uPA61A | |||
| uPA62C | 日電 | Diff, Mix | J | -20 | GDO | 32 | 350 | 125 | 8 |
32 |
10 |
12.5 | 15 | 10 | 3 | 7.5 |
2.5 | 76 | uPA62C | ||||
| uPA63H | 日電 | LF | J | -60 | GDO | 30 | 250/unit | 125 | 1.5 |
20 |
10 |
2 | 4 | 8 | 10 | 1 | 6 |
8 |
1.6 | 2.5 | 66 | uPA63H | |
| uPA68H | 日電 | LF, LN | J | -50 | GDO | 30 | 250/unit | 125 | 1 |
18 |
10 |
5 | 7 | 10 | 1 | 15 |
3 | 66 | uPA68H | ||||
| uPA70A | 日電 | DC | J | -40 | GDO | 250 | 175 | 0.5 |
5 |
10 |
1 | 2 | 10 | 0.5 | 5 |
1.5 | 77 | uPA70A | |||||
| uPA71A | 日電 | DC | J | -40 | GDO | 250 | 175 | 0.5 |
5 |
10 |
1 | 2 | 10 | 0.5 | 5 |
1.5 | 77 | uPA71A | |||||
| TX-429D | ソニー | RF, MIX, 可変抵抗 | MOS | -20 | DB | +-15 | 100 | 80 | -6 |
-2 |
0.8 | -1 | 68 | TX-429D | |||||||||
| 2N4392 | 日電 | SW, Chop | J | -40 | GDO | 300 | 200 | 25 | 75 | 20 | 9 | 14 | 2.7 | 3.5 | 73 | 2N4392 | |||||||
| 2N4393 | " | " | " | -40 | GDO | 300 | 200 | 5 | 30 | 20 | 10 | 14 | 3 | 3.5 | 73 | 2N4393 | |||||||
| 2SK11 | 東芝 | DC, LF, Chop | " | -20 | GDS | 100 | 150 | 0.3 | 6.5 | 10 | 0.7 | 3.2 | 10 | IDSS | 3 | 5 | 2 | 2SK11 | |||||
| 2SK12 | " | " | " | -20 | GDS | 100 | 150 | 0.45 | 5 | 10 | 0.8 | 3.2 | 10 | " | 3 | 5 | 2 | 2SK12 | |||||
| 2SK13 | " | DC, LF,Chop | " | -12 | GDS | 100 | 150 | 0.45 | 5 | 10 | 0.8 | 3.2 | 10 | " | 2.3 | 3.5 | 2 | 2SK13 | |||||
| 2SK15 | " | DC, LF, LN | " | -20 | GDS | 100 | 150 | 0.45 | 5 | 10 | 0.8 | 3.2 | 10 | " | 3 | 5 | 2 | 2SK15 | |||||
| 2SK16H | 日立 | DC, LF,Chop | " | -20 | GSS | 10 | 100 | 150 | 0.5 | 7 | 6 | 1 | 3 | 6 | 6 | " | 9 | 2 | 3 | 2SK16H | |||
| 2SK17 | 東芝 | オーディオ | " | -20 | GDS | 100 | 125 | 0.3 | 6.5 | 10 | 0.7 | 2 | 10 | " | 4 | 6 | 1.2 | 2.0 | 7 | 2SK17 | |||
| 2SK18 | " | DC | " | -40 | GDS | 200 | 150 | 0.45 | 2.8 | 10 | 0.8 | 3 | 10 | " | 4.5 | 6 | 2.0 | 2.5 | 19 | 2SK18 | |||
| 2SK18A | " | " | " | -40 | GDS | 200 | 150 | 0.45 | 2,8 | 10 | 0.8 | 3 | 10 | " | 4.5 | 6 | 2 | 2.5 | 19 | 2SK18A | |||
| 2SK19TM | " | FM, VHF | " | -18 | GDO | 200 | 125 | 3 | 24 | 10 | 7 | 10 | " | 4 | 0.45 | 0.65 | 82A | 2SK19TM | |||||
| 2SK22 | 東芝 | 2SK22 | |||||||||||||||||||||
| 2SK23A -8 |
ソニー | DC, VHF | J | -27 | GDO | 20 | 250 | 100 | 2.7 | 12.1 | 10 | 2.7 | 10 | IDSS | 5 | 1.8 | 5 | 2SK23A-8 | |||||
| 2SK23A -9 |
" | " | " | -40 | GDO | 5 | 1.8 | 5 | 2SK23A-9 | ||||||||||||||
| 2SK24 | 三洋 | LF, AM/RF | " | -40 | GDS | 100 | 125 | 0.6 | 24 | 10 | 1.5 | 12 | 10 | IDSS | 7.4 | 2 | 6 | 2SK24 | |||||
| 2SK25 | " | FM, RF, MIX | " | -18 | GDS | 100 | 125 | 0.6 | 24 | 10 | 6 | 10 | " | 1.1 | 6 | 2SK25 | |||||||
| 2SK28 | 東芝 | 2SK28 | |||||||||||||||||||||
| 2SK29 | 日立 | 2SK29 | |||||||||||||||||||||
| 2SK30 | 東芝 | LF | J | -50 | GDS | 100 | 125 | 0.3 | 6.5 | 10 | 1.5 | 10 | IDSS | 8.2 | 2.6 | 7 | 2SK30 | ||||||
| 2SK30 ATM |
" | LF, LN | " | -50 | GDS | 100 | 125 | 0.3 | 6.5 | 10 | 1.2 | 4 | 10 | " | 8.2 | 2.6 | 14 | 2SK30ATM | |||||
| 2SK32 | ? | 45 | 10 | 300 | 3 | 2SK32 | |||||||||||||||||
| 2SK33 | 三菱 | FM, VHF | J | -20 | GDO | 150 | 125 | 2.5 | 20 | 10 | 7 | 10 | IDSS | 0.5 | 8 | 2SK33 | |||||||
| 2SK34 | " | LF, LN | " | -30 | GDO | 150 | 125 | 0.3 | 12 | 10 | 1.0 | 3 | 10 | " | 8 | 1.5 | 9 | 2SK34 | |||||
| 2SK35 | 東芝 | 2SK35 | |||||||||||||||||||||
| 2SK37 | 日電 | FM, RF/MIX | J | -20 | GDO | 20 | 100 | 125 | 0.5 | 6 | 5 | 1.5 | 2 | 5 | 0.5 | 1 | 1.5 | 10 | 2SK37 | ||||
| 2SK38 | 三菱 | 煙感知器, DC | MOS | 20 | DSX | 20 | 100 | 100 | 0.4 | 5 | 10 | 0.5 | 0.8 | 10 | 1 | 6 | 2SK38 | ||||||
| 2SK38A | " | " | " | 20 | DSX | 20 | 100 | 100 | 0.1 | 7 | 10 | 1 | 1.5 | 10 | 1 | 8 | 11 | 2SK38A | |||||
| 2SK39 | ソニー | ECM | J | -20 | GDO | (IDSO) 0.035 |
(IDSO) 0.564 |
9 | 0.09 | 0.55 | 9 | 12 | 2SK39 | ||||||||||
| 2SK39A | " | C-Mic | " | -20 | GDO | 1 | 10 | 85 | (IDSO) 0.048 |
(IDSO) 0.564 |
9 | 0.11 | 0.67 | 9 | 12 | 2SK39A | |||||||
| 2SK40 | 日立 | LF, LN | " | -50 | GDS | 100 | 125 | 0.6 | 6.5 | 15 | 1 | 15 | 6.7 | 1.6 | 13 | 2SK40 | |||||||
| 2SK41 | 三洋 | FM, RF/MIX | " | -18 | GDS | 200 | 125 | 0.6 | 24 | 10 | 7 | 10 | IDSS | 0.35 | 0.75 | 57A | 2SK41 | ||||||
| (旧) 2SK41 |
三洋 | FM, RF/MIX | " | -18 | GDO | 150 | 125 | 0.6 | 24 | 10 | 7 | 10 | " | 0.35 | 0.75 | 14 | (旧)2SK41 | ||||||
| 2SK42 | ソニー | FM/AM, RF | " | -10 | GDO | 10(IS) | 50 | 65 | 1 | 5 | 4 | 3.5 | 5.5 | 4 | " | 0.085 | 0.12 | 15 | 2SK42 | ||||
| 2SK43 | " | LF, LN | " | -30 | GDO | 20 | 300 | 100 | 0.9 | 14.3 | 10 | 6.3 | 10.8 | 14 | 10 | " | 13 | 2.4 | 16 | 2SK43 | |||
| 2SK43S | " | DC, LF | " | -30 | GDO | 20 | 300 | 100 | 0.9 | 14.3 | 10 | 6.3 | 10.8 | 14 | 10 | " | 13 | 2.4 | 16 | 2SK43S | |||
| 2SK43S -D |
" | DC, A-SW | " | -30 | GDO | 20 | 300 | 100 | 8.1 | 14.3 | 10 | 14 | 10 | " | 13 | 2.4 | 16 | 2SK43S-D | |||||
| 2SK44 | 三洋 | LF, LN | " | -20 | GDS | 100 | 125 | 0.06 | 3 | 10 | 0.6 | 2 | 10 | " | 58A | 2SK44 | |||||||
| (旧) 2SK44 |
" | LF, LN | " | -20 | GDS | 100 | 125 | 0.06 | 3 | 10 | 0.6 | 2 | 10 | " | 28 | (旧)2SK44 | |||||||
| 2SK45 | 日電 | DC, HF | " | -22 | GDO | 20 | 100 | 150 | 0.5 | 6 | 5 | 1.5 | 2 | 5 | 0.5 | 4 | 1 | 1.5 | 30 | 2SK45 | |||
| 2SK46 | 三菱 | C-Mic | " | -30 | GDO | 150 | 125 | 0.3 | 3 | 10 | 1 | 3 | 10 | IDSS | 8 | 1.5 | 20 | 2SK46 | |||||
| 2SK47 | 日電 | LF, HF | " | -20 | GDO | 20 | 200 | 125 | 0.5 | 6 | 5 | 1.5 | 2 | 5 | 0.5 | 4.5 | 1.5 | 2 | 18 | 2SK47 | |||
| 2SK48 | 東芝 | LF, LN | " | -20 | GDS | 100 | 150 | 0.3 | 3 | 10 | 1 | 5 | 10 | IDSS | 5 | 8 | 2 | 2SK48 | |||||
| 2SK49 | 日電 | FM, RF | " | -20 | GDO | 10 | 72(60゚C) | 80 | 0.5 | 6 | 5 | 1.9 | 5.5 | 5 | " | 5 | 0.07 | 0.25 | 40 | 2SK49 | |||
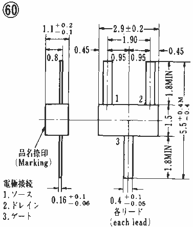
| 2SK50 | 松下 | ECM | " | -10 | GDO | 2 | 20 | 80 | 0.07 (RL=2.2k) |
1.0 (RL=2.2k) |
4.5 | 0.35 (RL=2.2k) |
4.5 | VGS=0 | 36 | 2SK50 | |||||||
| 型名 |
社名 Mnf. |
用途 App. |
構造 Type |
V*** | ID | Pd/Pch | Tj /Tch | IDSS(mA) | gm(mS) | Cis(pF) | Crs(pF) | その他 |
外形 Pac. Dim. No. |
型名 |
|||||||||
| min | max | VDS | min | typ | max | VDS | ID | typ | max | typ | max | ||||||||||||
| (V) | mode | (mA) | (mW) | (゚C) | (V) | (V) | (mA) | ||||||||||||||||
| 2SK54 | 日立 | FM, RF/MIX | " | -15 | GDO | 150 | 125 | 0.8 | 5 | 10 | 3 | 6 | 10 | IDSS | 3 | 0.4 | 0.6 | 37A | 2SK54 | ||||
| 2SK55 | " | " | " | -18 | GDO | 150 | 125 | 3 | 14 | 10 | 3 | 8 | 10 | " | 3 | 0.4 | 0.6 | 37A | 2SK55 | ||||
| 2SK56 | 松下 | VHF, RF | " | -10 | GDS | 10 | 100 | 125 | 0.7 | 10 | 5 | 4 | 5 | " | 4 | 0.1 | 38 | 2SK56 | |||||
| 2SK57 | 日電 | HF | " | -20 | GDO | 20 | 100 | 125 | 0.5 | 6 | 5 | 1.5 | 2 | 5 | 0.5 | 2SK57 | |||||||
| 2SK58 | ソニー | DC, VHF | " | -27 | GDO | 20 | 270 | 100 | 1 | 16.5 | 10 | 2.7 | 10 | IDSS | 2 | 49 | 2SK58 | ||||||
| 2SK59 | 日立 | ECM | " | -30 | GDS | 50 | 125 | 0.3 | 1.4 | 10 | 1 | 10 | " | 50 | 2SK59 | ||||||||
| 2SK60 | ソニー | LF PA | J (V) | -170 | GDO | 5A | 63W | 120 | u=4 | 20 | 1A | 190 | 2SJ18とコンプリ | 45 | 2SK60 | ||||||||
| 2SK61 -LV |
東芝 | FM, VHF | J | -18 | GDO | 200 | 125 | 1 | 6 | 10 | 9 | 10 | IDSS | 0.1 | 0.25 | 82A | 2SK61-LV | ||||||
| 2SK63 | ソニー | 小信号A | J (V) | -120 | GDO | 200 | 470 | 120 | 14 | 50 | 4 | 16 | 51 | 2SK63 | |||||||||
| 2SK65 | 松下 | ECM | J | -12 | GDS | 2 | 20 | 80 | 0.04 (RL=2.2k) |
0.8 (RL=2.2k) |
4.5 | 0.3 (RL=2.2k) |
0.5 (RL=2.2k) |
4.5 | VGS=0 | 52 | 2SK65 | ||||||
| 2SK66 | " | LF, LN | " | -55 | GDO | 100 | 125 | 0.3 | 6.5 | 10 | 1.2 | 10 | IDSS | 8.2 | 2.6 | 36 | 2SK66 | ||||||
| 2SK67 | 日電 | ECM | " | -20 | GDO | 10 | 80 | 100 | 0.02 | 1 | 1.5 | 5 | " | 5.5 | 60 | 2SK67 | |||||||
| 2SK67A | 日電 | ECM | " | -20 | GDO | 10 | 80 | 100 | 0.02 | 0.54 | 5 | 1.5 | 5 | " | 5.5 | 60 | 2SK67A | ||||||
| 2SK68 | " | LF | " | -50 | GDO | 20 | 250 | 125 | 0.5 | 12 | 10 | 4 | 12 | 10 | " | 13 | 2.6 | 53 | 2SK68 | ||||
| 2SK68A | " | LF, LN | " | -50 | GDO | 20 | 250 | 125 | 0.5 | 12 | 10 | 4 | 12 | 10 | " | 13 | 2.6 | 53 | 2SK68A | ||||
| 2SK69 | " | LF D | J (V) | -140 | GDO | 100 | 800 | 150 | 1.8 | 48 | 5 | u=30 | 10 | 10 | 2SJ19とコンプリ | 41 | 2SK69 | ||||||
| 2SK70 | " | LF PA | " | -100 | GDO | 10A | 100W | 150 | 3A | 8A | 5 | u=2 | u=4 | 10 | 1A | 430 | 2SJ20とコンプリ | 42 | 2SK70 | ||||
| 2SK71 | ? | J (V) | 160 | 300 | 15W | 2SK71 | |||||||||||||||||
| 2SK72 | 東芝 | DC,VHF | J | -20 | GDS | 200 | 150 | 0.6 | 6.5 | 10 | 1.5 | 6.5 | 10 | IDSS | 9 | 43 | 2SK72 | ||||||
| 2SK73 | 松下 | LF (高電圧) |
" | -200 | GDO | 5W | 150 | 100 | 30 | 8 | 30 | " | 54 | 2SK73 | |||||||||
| 2SK76 | YAMAHA? | J (V) | -200 | GDO | 10A | 100W | 750 (u=4) |
1000 | 2SK76 | ||||||||||||||
| 2SK77 | YAMAHA | J (V) | 200 | DGO | 20A | 200W | 150 | ![]() |
2SK77 | ||||||||||||||
| 2SK79 | ソニー | 小信号A | J (V) | -120 | GDO | 200 | 750 | 120 | 14 | 50 | 4 | 16 | 55 | 2SK79 | |||||||||
| 2SK82 | SONY | J (V) | -240 | GDO |
10A | 95W | ![]() |
2SK82 | |||||||||||||||
| 2SK83 | 松下 | VHF/RF | J | -25 | GDO | 10 | 100 | 125 | 0.5 | 12 | 5 | 1.9 | 4 | 5 | IDSS | 4 | 0.07 | 0.15 | 38 | 2SK83 | |||
| 2SK84 | " | LF, LN | " | -55 | GDO | 100 | 125 | 0.3 | 6.5 | 10 | 1.2 | 10 | " | 8.2 | 2.6 | 52 | 2SK84 | ||||||
| 2SK85 | 日電 | XパントLN A, OSC | GaAs SB |
-10 | GDO | 100 | 500 | 125 | 30 | 100 | 3 | 56 | 2SK85 | ||||||||||
| 2SK87H | 日立 | LF, LN | J | -50 | GDS | 100 | 150 | 0.3 | 6.5 | 15 | 1 | 15 | IDSS | 7.2 | 2.1 | 61 | 2SK87H | ||||||
| 2SK92 | 日電 | ECM | J | -20 | GDO | 10 | 80 | 100 | 0.02 | 1 | 1.5 | 5 | IDSS | 5.5 | 18 | 2SK92 | |||||||
| 2SK93 | ソニー | " | " | -20 | GDO | 10 | 85 | (IDSO) 0.018 |
(IDSO) 0.564 |
9 | 0.11 | 0.67 | 9 | 62 | 2SK93 | ||||||||
| 2SK94 | 日電 | LF, A-SW | " | -50 | GDO | 20 | 150 | 125 | 0.5 | 12 | 10 | 4 | 12 | 10 | IDSS | 13 | 2.6 | 78 | 2SK94 | ||||
| 2SK95 | 150 | 600 | 150 | 28 |
40 |
2SK95 | |||||||||||||||||
| 2SK96 | 200 | 600 | 150 | 28 |
40 |
2SK96 | |||||||||||||||||
| 2SK97 | ソニー | DC, LF | J | -30 | GDO | 20 | 210 | 100 | 0.9 | 14.3 | 10 | 6.3 | 10 | IDSS | 2.4 | 49 | 2SK97 | ||||||
| 型名 | 社名 Mnf. |
用途 App. |
構造 Type |
(V) | mode | (mA) | (mW) | (゚C) | min | max | (V) |
min | typ | max | (V) |
(mA) |
typ | max | typ | max | その他 |
外形 Pac. Dim. No. |
型名 |
| V*** | ID | Pd/Pch | Tj/Tch | VDS | VDS | ID | |||||||||||||||||
| IDSS(mA) | gm(mS) | Cis(pF) | Crs(pF) | ||||||||||||||||||||
| FET規格表一覧へ | 次へ |