[ Main Page ]

イヤホンマイク 簡易アンプ

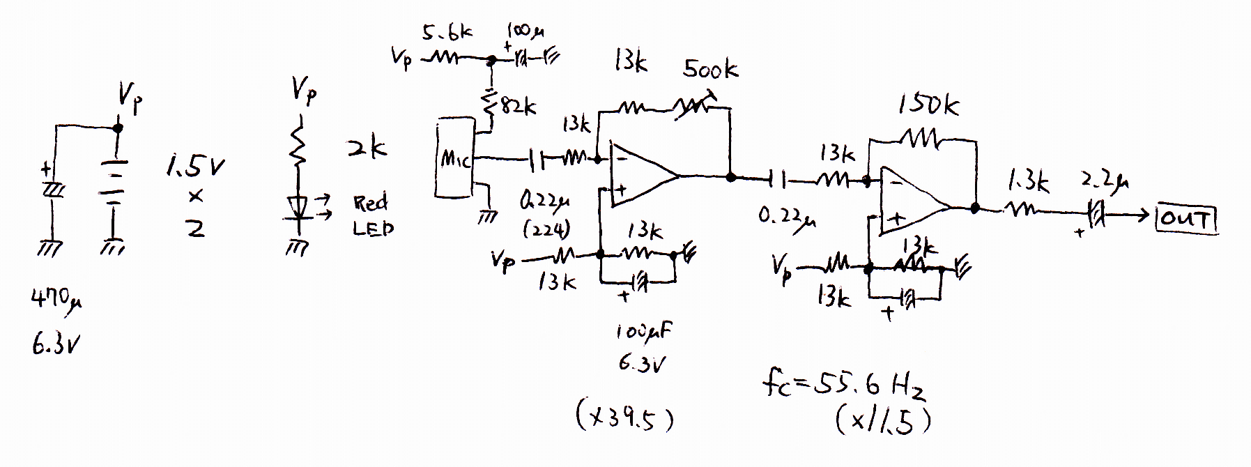
携帯電話用に良く使われているイヤホンマイク用のスタンドアロンのマイクアンプ。 オペアンプによる反転増幅回路を2段重ねた簡単なもので、それぞれのマイクに合わせてバイアス等は適宜変更する必要がある。 以下の回路では使用していないが、位相補償コンデンサを追加した方が雑音が少ないと思う。 オペアンプは単電源、入出力フルスイングオペアンプのNJM2732を採用したが、 これ以外の低電圧対応入出力レールツーレルオペアンプでもおそらく動くだろう。NJM2732は出力電流が2mA程度までしかとれないので、受け側のインピーダンスが数百Ω等の低いものは使えない。

イヤホンマイク イヤホンマイク

回路

イヤホンマイク

If more of us valued food and cheer and song above hoarded gold, it would
be a merrier world.
		-- J.R.R. Tolkien

Chandler: Alright, ok, alright. So I can't fire Joseph but uh, I can sleep
with his wife.

Joey: Karen.

Chandler: Yeah, Karen. I'm thinking about having an affair with her. Oh, you
know what? I just did.

Joey: Ahh. What the hell are you doing to me man.

Chandler: Oh well it's not me, it's my character, Chandy. Yeah, the rogue
processor who seduces his co-workers' wives for sport and then laughs about it
the next day at the water cooler. In fact, I have her panties right there in
my drawer.

Joey: Really?

Chandler: No freakshow, she's fictional.

    -- David Crane & Marta Kauffman
    -- "Friends" (T.V. Show) ( http://en.wikipedia.org/wiki/Friends )


Powered by UNIX fortune(6)
[ Main Page ]