| 前へ | FET規格表一覧へ | 次へ |
| 型名 |
社名 Mnf. |
用途 App. |
構造 Type |
V*** | ID | Pd/Pch | Tj /Tch | IDSS(mA) | gm(mS) | Cis(pF) | Crs(pF) | その他 |
外形 Pac. Dim. No. |
型名 |
|||||||||
| min | max | VDS | min | typ | max | VDS | ID | typ | max | typ | max | ||||||||||||
| (V) | mode | (mA) | (mW) | (゚C) | (V) | (V) | (mA) | ||||||||||||||||
| 2SK201 | 日電 | C~Xバンド中出力A, OSC | GaAs | 10 | DSX | 400 | 1.3W | 175 | 180 | 400 | 3 | 35 | 50 | 3 | 100 | 120 | 2SK201 | ||||||
| 2SK203 | 日電 | C~Xバンド中出力A, OSC | GaAs | 10 | DSX | 180 | 0.8W | 175 | 90 | 180 | 3 | 18 | 30 | 3 | 50 | 120 | 2SK203 | ||||||
| 2SK205 | 16 | 2.5A | 2SK205 | ||||||||||||||||||||
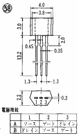
| 2SK208 | 東芝 | C-Mic | J | -50 | GDS | 100 | 125 | 0.3 | 1.4 | 10 | 1.2 | 10 | IDSS | 8.2 | 2.6 | 105A | 2SK208 | ||||||
| 2SK209 | " | LF, LN | " | -50 | GDS | 150 | 125 | 0.6 | 14 | 10 | 4 | 15 | 10 | " | 13 | 3 | 105A | 2SK209 | |||||
| 2SK210 | " | VHF, RF | " | -18 | GDS | 100 | 125 | 3 | 24 | 10 | 7 | 10 | " | 0.65 | 105B | 2SK210 | |||||||
| 2SK211 | " | FMチューナ, VHF, RF | " | -18 | GDO | 200 | 125 | 1 | 10 | 10 | 9 | 10 | " | 0.15 | 105B | 2SK211 | |||||||
| 2SK212 | 三洋 | FM, RF | " | -20 | GDO | 20 | 200 | 125 | 0.6 | 12 | 5 | 2 | 6 | 5 | " | 4 | 0.04 | 0.15 | 58B | 2SK212 | |||
| 2SK213 | 日立 | LF-HF PA, HS PSW | MOS | 140 | DSX | 500 | 30W | 150 | 40 | 20 | 10 | 90 | 2.2 | 2SJ76とコンプリ | 116A | 2SK213 | |||||||
| 2SK214 | " | " | " | 160 | DSX | 500 | 30W | 150 | 40 | 20 | 10 | 90 | 2.2 | 2SJ77とコンプリ | 116A | 2SK214 | |||||||
| 2SK215 | " | LF PA, HS PSW | " | 180 | DSX | 500 | 30W | 150 | 40 | 20 | 10 | 90 | 2.2 | 2SJ78とコンプリ | 116A | 2SK215 | |||||||
| 2SK216 | " | " | " | 200 | DSX | 500 | 30W | 150 | 40 | 20 | 10 | 90 | 2.2 | 2SJ79とコンプリ | 116A | 2SK216 | |||||||
| 2SK217 | " | VHF, RF | J | -30 | GDO | 20 | 150 | 125 | 2.5 | 12 | 5 | 8 | 5 | IDSS | 0.1 | 87B | 2SK217 | ||||||
| 2SK218 | 松下 | ビデオカメラ | " | -15 | GDS | 50 | 300 | 125 | 5 | 42 | 5 | 30 | 5 | " | 2SK218 | ||||||||
| 2SK219 | 2SK219 | ||||||||||||||||||||||
| 2SK220H | 日立 | HFPA, HS PSW | MOS | 160 | DSS | 8A | 100W | 150 | 1 | 120 | 600 | 900 | 10 | 3A | 600 | 28A | 2SK220H | ||||||
| 2SK221H | " | " | " | 200 | DSS | 8A | 100W | 150 | 1 | 160 | 600 | 900 | 10 | 3A | 600 | 28A | 2SK221H | ||||||
| 2SK222 | 三洋 | LF, LN | J | -40 | GDS | 300 | 125 | 0.6 | 12 | 10 | 17 | 10 | IDSS | 14 | 3.5 | 57B | 2SK222 | ||||||
| 2SK223 | " | 高電圧ドライブ | " | -80 | GDS | 400 | 125 | 1.2 | 24 | 30 | 20 | 30 | " | 12 | 2.5 | 57B | 2SK223 | ||||||
| 2SK224 | 2SK224 | ||||||||||||||||||||||
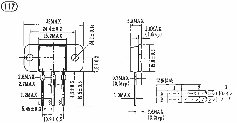
| 2SK225 | 日立 | LF PA | MOS | 120 | DSX | 7A | 100W | 150 | 0.7S | 1S | 1.4S | 10 | 3A | 600 | 10 | 117A | 2SK225 | ||||||
| 2SK226 | 日立 | LF PA | MOS | 140 | DSX | 7A | 100W | 150 | 0.7S | 1S | 1.4S | 10 | 3A | 600 | 10 | 117A | 2SK226 | ||||||
| 2SK227 | " | " | " | 160 | DSX | 7A | 100W | 150 | 0.7S | 1S | 1.4S | 10 | 3A | 600 | 10 | 117A | 2SK227 | ||||||
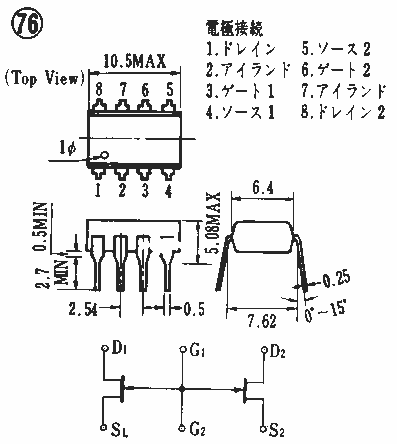
| 2SK238 | 日電 | FMチューナ | J | -20 | GDO | 10 | 150 | 125 | 0.5 | 8 | 5 | 2.3 | 3.5 | 5 | 0.5 | 5 | 6.5 | 0.07 | 0.25 | 76B | 2SK238 | ||
| 2SK239A | 日立 |
GaAs | 12 | DS | 50 | 0.58 |
CMPAK-4 |
2SK239A | |||||||||||||||
| 2SK240 | 東芝 | LF, LN | J | -40 | GDS | 400unit | 125 | 2.6 | 20 | 10 | 15 | 22 | 10 | IDSS | 30 | 6 | 2SJ75とコンプリ | 11 | 2SK240 | ||||
| 2SK241 | " | FM, VHF | MOS | 20 | DSX | 30 | 200 | 125 | 1.5 | 14 | 10 | 10 | 10 | " | 3 | 0.035 | 0.05 | 88 | 2SK241 | ||||
| 2SK242 | 三洋 | HF PA | J | -20 | GDO | 20 | 150 | 125 | 0.6 | 12 | 5 | 2 | 6 | 5 | " | 4 | 0.04 | 0.15 | 126B | 2SK242 | |||
| 2SK243 | 170 | 0.5 | 2SK243 | ||||||||||||||||||||
| 2SK245 | 40 | 750 | 2SK245 | ||||||||||||||||||||
| 2SK246 | 東芝 | DC, Imp-C, CC | J | -50 | GDS | 300 | 125 | 1.2 | 14 | 10 | 1.5 | 4 | 10 | IDSS | 9 | 2.5 | 82B | 2SK246 | |||||
| 2SK247 | 松下 | HF | " | -15 | GDS | 20 | 150 | 125 | 0.5 | 12 | 5 | 2SK247 | |||||||||||
| 型名 |
社名 Mnf. |
用途 App. |
構造 Type |
V*** | ID | Pd/Pch | Tj /Tch | IDSS(mA) | gm(mS) | Cis(pF) | Crs(pF) | その他 |
外形 Pac. Dim. No. |
型名 |
|||||||||
| min | max | VDS | min | typ | max | VDS | ID | typ | max | typ | max | ||||||||||||
| (V) | mode | (mA) | (mW) | (゚C) | (V) | (V) | (mA) | ||||||||||||||||
| 2SK258H | 日立 | HF PA | MOS | 250 | DSS | 8A | 125 | 150 | 1 | 200 | 0.9S | 1.3S | 10 | 3A | 800 | 28A | 2SK258H | ||||||
| 2SK259H | " | " | " | 350 | DSS | 5A | 125 | 150 | 1 | 280 | 0.6S | 1S | 20 | 3A | 800 | 15 | 28A | 2SK259H | |||||
| 2SK260H | " | " | " | 400 | DSS | 5A | 125 | 150 | 1 | 320 | 0.6S | 1S | 20 | 3A | 800 | 15 | 28A | 2SK260H | |||||
| 2SK266 | 東芝 | C-Mic, Imp-C | J | -15 | GDO | 100 | 125 | 155 | 2SK266 | ||||||||||||||
| 2SK270 | 東芝 | LF, LN | J | -40 | GDS | 300unit | 125 | 1 | 20 | 10 | 8 | 20 | 10 | 3 | 25 | 5.5 | 75 | 2SK270 | |||||
| 2SK271 | " | LF PA | MOS | 140 | DSX | 8A | 120W | 150 | 1S | 1.5S | 10 | 2A | 800 | 60 | 2SJ91とコンプリ | 118 | 2SK271 | ||||||
| 2SK272 | " | " | " | 140 | DSX | 7A | 100W | 150 | 1S | 1.5S | 10 | 2A | 800 | 60 | 2SJ92とコンプリ | 119 | 2SK272 | ||||||
| 2SK273 | 三菱 | S~XバンドLN A | GaAs | 8 | DSX | 100 | 300 | 150 | 30 | 100 | 3 | 20 | 30 | 3 | 30 | 122 | 2SK273 | ||||||
| 2SK274 | " | " | " | 8 | DSX | 100 | 300 | 150 | 30 | 100 | 3 | 25 | 35 | 3 | 30 | 122 | 2SK274 | ||||||
| 2SK275 | " | " | " | 8 | DSX | 100 | 300 | 150 | 30 | 100 | 3 | 25 | 35 | 3 | 30 | 122 | 2SK275 | ||||||
| 2SK276 | 三菱 | S~XバンドLN A | GaAs | 6 | DSX | 80 | 200 | 150 | 30 | 80 | 3 | 20 | 30 | 3 | 30 | 122 | 2SK276 | ||||||
| 2SK277 | 日電 | HC SW | MOS | 350 | DSS | 7A | 100W | 150 | 10 | 350 | 0.6S | 1S | 10 | 3A | 950 | 1500 | 10 | 108 | 2SK277 | ||||
| 2SK278 | " | " | " | 400 | DSS | 7A | 100W | 150 | 10 | 400 | 0.6S | 1S | 10 | 3A | 950 | 1500 | 10 | 108 | 2SK278 | ||||
| 2SK279 | 三菱 | S~Xバンド中電力増幅 | GaAs | 8 | DSX | 250 | 1W | 150 | 150 | 250 | 3 | 70 | 90 | 3 | 100 | 122 | 2SK279 | ||||||
| 2SK280 | 日電 | X-KuバンドLN A | " | 5 | DSX | 100 | 270 | 125 | 20 | 100 | 3 | 20 | 40 | 100 | 3 | 10 | 123 | 2SK280 | |||||
| 2SK281 | " | VHF~CバンドLN A | " | 5 | DSX | 120 | 300 | 125 | 30 | 120 | 3 | 20 | 40 | 100 | 3 | 10 | 123 | 2SK281 | |||||
| 2SK282 | 2SK282 | ||||||||||||||||||||||
| 2SK283 | 三洋 | 高電圧ドライバ | J | -80 | GDS | 150 | 125 | 1.2 | 17 | 30 | 20 | 30 | IDSS | 12 | 2.5 | 126A | 2SK283 | ||||||
| 2SK284 | 50 | 210 | 120 | 23 | 5 | 7.5 |
2SK284 | ||||||||||||||||
| 2SK285 | 2SK285 | ||||||||||||||||||||||
| 2SK286 | 日立 | LF-HF PA, HS PSW | MOS | 60 | DSX | 8A | 100W | 150 | ISDX=1mA (VGS=-10V) |
60 | 1S | 1.4S | 2.5S | 10 | 3A | 500 | 2SJ96とコンプリ | 117A | 2SK286 | ||||
| 2SK287K | " | HF PA | " | 60 | DSS | 8A | 100W | 150 | 1 | 50 | 1S | 1.4S | 10 | 3A | 500 | 117A | 2SK287K | ||||||
| 2SK288K | " | " | " | 80 | DSS | 8A | 100W | 150 | 1 | 60 | 1S | 1.4S | 10 | 3A | 500 | 117A | 2SK288K | ||||||
| 2SK289H | " | " | " | 80 | DSS | 8A | 100W | 150 | 1 | 60 | 1S | 1.4S | 10 | 3A | 500 | 28A | 2SK289H | ||||||
| 2SK290H | " | " | " | 100 | DSS | 8A | 100W | 150 | 1 | 60 | 1S | 1.4S | 10 | 3A | 500 | 28A | 2SK290H | ||||||
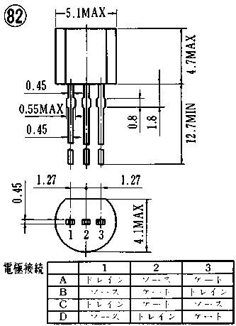
| 2SK290 | " | 12 | DS | 25 | 1.8 |
CMPAK-4 | 2SK290H | ||||||||||||||||
| 2SK291 | " | HF LN | J | -15 | GDO | 50 | 300 | 125 | 6 | 50 | 5 | 25 | 45 | 5 | IDSS | 8.5 | 37B | 2SK291 | |||||
| 2SK292 | 日電 | FMチューナ | " | -20 | GDO | 10 | 200 | 125 | 0.5 | 8 | 5 | 2.3 | 3.5 | 5 | 0.5 | 5 | 6.5 | 0.07 | 0.25 | 104 | 2SK292 | ||
| 2SK293 | " | 高耐圧HS PSW | MOS | 300 | DSS | 7A | 100W | 150 | 5 | 300 | 0.6S | 1S | 10 | 3A | 950 | 1500 | 10 | 108 | 2SK293 | ||||
| 2SK294 | 日立 | HF PA, HS PSW | " | 80 | DSS | 5A | 30W | 150 | 1 | 65 | 0.5S | 0.8S | 10 | 3A | 450 | 140 | 116B | 2SK294 | |||||
| 2SK295 | " | " | " | 100 | DSS | 5A | 30W | 150 | 1 | 80 | 0.5S | 0.8S | 10 | 3A | 450 | 140 | 116B | 2SK295 | |||||
| 2SK296 | " | " | " | 300 | DSS | 1A | 30W | 150 | 1 | 240 | 0.2S | 0.4S | 10 | 500 | 140 | 23 | 116B | 2SK296 | |||||
| 2SK298 | 日立 | HF PA, HS PSW | MOS | 400 | DSS | 8A | 100W | 150 | 1 | 320 | 1.2S | 1.7S | 10 | 4A | 800 | 20 | 28B | 2SK298 | |||||
| 2SK299 | " | " | " | 450 | DSS | 8A | 100W | 150 | 1 | 360 | 1.2S | 1.7S | 10 | 4A | 800 | 20 | 28B | 2SK299 | |||||
| 2SK300 | ソニー |
Video,VHF ,RF |
J |
-15 | GDO |
5 | 150 | 9.5 |
42 |
5 |
21 | 30 | 5 | IDSS | 7.2 |
2 | 179 |
2SK300 | |||||
| 型名 | 社名 Mnf. |
用途 App. |
構造 Type |
(V) | mode | (mA) | (mW) | (゚C) | min | max | (V) |
min | typ | max | (V) |
(mA) |
typ | max | typ | max | その他 |
外形 Pac. Dim. No. |
型名 |
| V*** | ID | Pd/Pch | Tj/Tch | VDS | VDS | ID | |||||||||||||||||
| IDSS(mA) | gm(mS) | Cis(pF) | Crs(pF) | ||||||||||||||||||||
| 前へ | FET規格表一覧へ | 次へ |