| 前へ | FET規格表一覧へ | 次へ |
| 型名 |
社名 Mnf. |
用途 App. |
構造 Type |
V*** | ID | Pd/Pch | Tj /Tch | IDSS(mA) | gm(mS) | Cis(pF) | Crs(pF) | その他 |
外形 Pac. Dim. No. |
型名 |
|||||||||
| min | max | VDS | min | typ | max | VDS | ID | typ | max | typ | max | ||||||||||||
| (V) | mode | (mA) | (mW) | (゚C) | (V) | (V) | (mA) | ||||||||||||||||
| 2SK301 | 松下 | LF, SW | J | -55 | GDO | 30 | 250 | 125 | 0.5 | 20 | 10 | 2.5 | 7.5 | 10 | IDSS | 6.5 | 1.9 | 132 | 2SK301 | ||||
| 2SK302 | 東芝 | VHF, RF | MOS | 20 | DSX | 30 | 150 | 125 | 1.5 | 14 | 10 | 10 | 10 | " | 3 | 0.035 | 0.05 | 105B | 2SK302 | ||||
| 2SK303 | 三洋 | LN PA | J | -30 | GDS | 20 | 150 | 125 | 0.6 | 12 | 10 | 2.5 | 6 | 10 | " | 5 | 1.5 | 126A | 2SK303 | ||||
| 2SK304 | " | " | " | -30 | GDS | 20 | 150 | 125 | 0.6 | 12 | 10 | 2.5 | 6 | 10 | " | 5 | 1.5 | 58A | 2SK304 | ||||
| 2SK308 | 日立 | HF PA | MOS | 120 | DSS | 10A | 100W | 150 | 1 | 100 | 1.5S | 2S | 10 | 5A | 1130 | 80 | 28B | 2SK308 | |||||
| 2SK309 | " | GaAS | 6 | DS | 18 | CMPAK-4 |
2SK309 | ||||||||||||||||
| 2SK310 | " | HF PA, HS PSW | MOS | 400 | DSS | 3A | 40W | 150 | 1 | 320 | 0.6S | 1S | 10 | 2A | 440 | 13 | 116B | 2SK310 | |||||
| 2SK311 | " | " | " | 450 | DSS | 3A | 40W | 150 | 1 | 360 | 0.6S | 1S | 10 | 2A | 440 | 13 | 116B | 2SK311 | |||||
| 2SK312 | " | " | " | 400 | DSS | 12A | 125W | 150 | 1 | 320 | 1.5S | 2.5S | 10 | 6A | 1500 | 35 | 28B | 2SK312 | |||||
| 2SK313 | " | " | " | 450 | DSS | 12A | 125W | 150 | 1 | 360 | 1.5S | 2.5S | 10 | 6A | 1500 | 35 | 28B | 2SK313 | |||||
| 2SK314 | 日電 | LF, LN | J | -40 | GDO | 50 | 250 | 150 | 5 | 30 | 10 | 8 | 12 | 10 | 5 | 9 | 2.6 | 73 | 2SK314 | ||||
| 2SK315 | 三洋 | FMチューナ | " | -20 | GDO | 25 | 200 | 125 | 2.5 | 24 | 5 | 6 | 12 | 5 | IDSS | 8 | 0.08 | 0.3 | 58B | 2SK315 | |||
| 2SK316 | 松下 | VideoCamera | " | -10 | GDO | 50 | 200 | 100 | 5 | 24 | 5 | 15 | 5 | " | 5 | 133 | 2SK316 | ||||||
| 2SK317 | 日立 | HF, VHF PA | MOS | 180 | DSS | 8A | 120W | 150 | 1 | 140 | 0.9S | 1.25S | 20 | 3A | 600 | 0.5 | 129 | 2SK317 | |||||
| 2SK318 | " | " | " | 180 | DSS | 4A | 70W | 150 | 1 | 140 | 0.4S | 0.6S | 20 | 1.5A | 300 | 0.3 | 129 | 2SK318 | |||||
| 2SK319 | " | HF PA, HS PSW | " | 400 | DSS | 5A | 50W | 150 | 1 | 320 | 1S | 1.5S | 10 | 3A | 800 | 20 | 116B | 2SK319 | |||||
| 2SK320 | " | " | " | 450 | DSS | 5A | 50W | 150 | 1 | 360 | 1S | 1.5S | 10 | 3A | 800 | 20 | 116B | 2SK320 | |||||
| 2SK321 | 松下 | 広帯域LN, VideoCamera | J | -15 | GDO | 50 | 200 | 100 | 5 | 42 | 5 | 15 | 30 | 5 | IDSS | 8 | 133 | 2SK321 | |||||
| 2SK322 | 日立 | HF広帯域A | " | -15 | GDO | 50 | 150 | 125 | 6 | 50 | 5 | 25 | 45 | 5 | 87C | 2SK322 | |||||||
| 2SK323 | " | LF PA | " | 30 | 150 | 125 | 1.6 | 12 | 10 | 8 | 12 | 10 | 3 | 87A | 2SK323 | ||||||||
| 2SK324 | 東芝 | HS SW | MOS | 400 | DSX | 10A | 120W | 150 | 1 | 400 | 3S | 5S | 10 | 5A | 1500 | 2000 | 150 | 300 | 134 | 2SK324 | |||
| 2SK325 | " | " | " | 450 | DSX | 10A | 120W | 150 | 1 | 450 | 3S | 5S | 10 | 5A | 1600 | 2000 | 140 | 300 | 134 | 2SK325 | |||
| 2SK330 | 東芝 | LF, CC | J | -50 | GDO | 200 | 125 | 1.2 | 14 | 10 | 1.5 | 4 | 10 | IDSS | 9 | 2.5 | 70A | 2SK330 | |||||
| 2SK331 | 三洋 | C-Mic | " | -20 | GDO | 100 | 125 | 0.06 | 1.5 | 10 | 127 | 2SK331 | |||||||||||
| 2SK332 | " | Diff | " | -40 | GDS | 20 | 200unit | 125 | 1.2 | 12 | 10 | 17 | 10 | IDSS | 13 | 3 | 107 | 2SK332 | |||||
| 2SK333 | " | " | " | -80 | GDS | 20 | 200unit | 125 | 1.2 | 12 | 30 | 5 | 15 | 30 | " | 11 | 2 | 107 | 2SK333 | ||||
| 2SK334 | " | C-Mic | " | -20 | GDO | 100 | 125 | 0.06 | 1.5 | 10 | 106 | 2SK334 | |||||||||||
| 2SK336 | 三洋 | A-SW | MOS | 50 | DSS | 400 | 600 | 125 | 1uA | 20 | 20 | 35 | 10 | 50 | 17 | 2.2 | 57A | 2SK336 | |||||
| 2SK337 | 日電 | 高耐圧SW | " | 500 | DSS | +-100 | 10W | 150 | 10uA | 500 | 10 | 30 | 10 | 20 | 20 | 100 | 1 | 135 | 2SK337 | ||||
| 2SK338 | 400 | 5 | 1.5W | 2SK338 | |||||||||||||||||||
| 2SK339 | 100 | 5 | 1.5W | 2SK339 | |||||||||||||||||||
| 2SK343 | 日立 | LF PA, HS PSW | MOS | 140 | DSS | 8A | 100W | 150 | 1 | 120 | 1S | 2S | 10 | 4A | 800 | 60 | 117B | 2SK343 | |||||
| 2SK344 | " | " | " | 160 | DSS | 8A | 100W | 150 | 1 | 140 | 1S | 2S | 10 | 4A | 800 | 60 | 117B | 2SK344 | |||||
| 2SK345 | " | " | " | 40 | DSS | 5A | 30W | 150 | 1 | 30 | 0.5S | 0.9S | 10 | 3A | 350 | 80 | 116B | 2SK345 | |||||
| 2SK346 | " | " | " | 60 | DSS | 5A | 30W | 150 | 1 | 50 | 0.5S | 0.9S | 10 | 3A | 350 | 80 | 116B | 2SK346 | |||||
| 2SK347 | " | HF PA, HS PSW | " | 400 | DSS | 1A | 10W | 150 | 1 | 320 | 0.1S | 0.3S | 10 | 0.5A | 125 | 6 | 150 | 2SK347 | |||||
| 2SK349 | 日立 | HF PA, HS PSW | MOS | 400 | DSS | 10A | 100W | 150 | 1 | 320 | 1.3S | 2.5S | 10 | 5A | 1500 | 35 | 149 | 2SK349 | |||||
| 2SK350 | " | " | " | 450 | DSS | 10A | 100W | 150 | 1 | 360 | 1.3S | 2.5S | 10 | 5A | 1500 | 35 | 149 | 2SK350 | |||||
| 型名 |
社名 Mnf. |
用途 App. |
構造 Type |
V*** | ID | Pd/Pch | Tj /Tch | IDSS(mA) | gm(mS) | Cis(pF) | Crs(pF) | その他 |
外形 Pac. Dim. No. |
型名 |
|||||||||
| min | max | VDS | min | typ | max | VDS | ID | typ | max | typ | max | ||||||||||||
| (V) | mode | (mA) | (mW) | (゚C) | (V) | (V) | (mA) | ||||||||||||||||
| 2SK351 | 日立 | HF PA, HS PSW | MOS | 800 | DSS | 5A | 125W | 150 | 1 | 640 | 1S | 2S | 10 | 3A | 1900 | 40 | 28B | 2SK351 | |||||
| 2SK352 | " | " | " | 250 | DSS | 300 | 8W | 150 | 1 | 200 | 50 | 80 | 20 | 150 | 20 | 2.5 | 136 | 2SK352 | |||||
| 2SK353 | 日電 | C~Kuバンド LN A | GaAs | 5 | DSX | 120 | 270 | 125 | 20 | 120 | 3 | 20 | 40 | 100 | 3 | 10 | 123 | 2SK353 | |||||
| 2SK354 | " | VHF~CバンドLN A | " | 5 | DSX | 150 | 300 | 125 | 30 | 150 | 3 | 20 | 40 | 100 | 3 | 10 | 137 | 2SK354 | |||||
| 2SK354A | " | VHF~CバンドLN A | " | 5 | DSX | 150 | 300 | 125 | 30 | 100 | 3 | 20 | 40 | 3 | 10 | 9 | 2SK354A | ||||||
| 2SK355 | 東芝 | HS SW | MOS | 150 | DSX | 12A | 120W | 150 | 1 | 150 | 3S | 6S | 10 | 10A | 1600 | 2200 | 350 | 600 | 134 | 2SK355 | |||
| 2SK356 | " | " | " | 250 | DSX | 12A | 120W | 150 | 1 | 250 | 3S | 6S | 10 | 10A | 1600 | 2200 | 220 | 320 | 134 | 2SK356 | |||
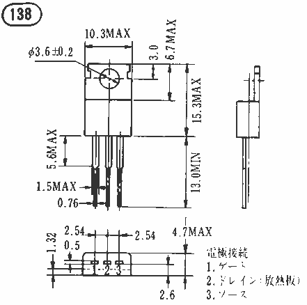
| 2SK357 | " | " | " | 150 | DSX | 5A | 40W | 150 | 1 | 150 | 0.8S | 1.8S | 10 | 3A | 260 | 350 | 50 | 100 | 138 | 2SK357 | |||
| 2SK358 | " | " | " | 250 | DSX | 5A | 40W | 150 | 1 | 250 | 1S | 2.3S | 10 | 3A | 380 | 500 | 60 | 120 | 138 | 2SK358 | |||
| 2SK359 | 日立 |
VHF,RF |
" | 20 | DSX | 30 | 400 | 4 |
12 |
10 |
8 | 14 | 10 | IDSS | 2.5 |
0.03 | 37A |
2SK359 | |||||
| 2SK360 | " | " | " | 20 | DSX | 30 | 150 | 4 |
12 |
10 |
8 | 14 | 10 | IDSS | 2.5 |
0.03 | 87D |
2SK360 | |||||
| 2SK362 | 東芝 | LF, A-SW | J | -50 | GDS | 300 | 125 | 1.2 | 14 | 10 | 5 | 19 | 10 | IDSS | 13 | 3 | 82C | 2SK362 | |||||
| 2SK363 | " | " | " | -40 | GDS | 400 | 125 | 5 | 30 | 10 | 25 | 60 | 10 | " | 75 | 15 | 82C | 2SK363 | |||||
| 2SK364 | " | " | " | -40 | GDS | 400 | 125 | 2.6 | 20 | 10 | 12 | 28 | 10 | " | 30 | 6 | 2SJ104とコンプリ | 82C | 2SK364 | ||||
| 2SK365 | " | " | " | -50 | GDS | 200 | 125 | 1.2 | 14 | 10 | 5 | 19 | 10 | " | 13 | 3 | 70B | 2SK365 | |||||
| 2SK366 | " | " | " | -40 | GDS | 200 | 125 | 2.6 | 20 | 10 | 12 | 28 | 10 | " | 30 | 6 | 2SJ107とコンプリ | 70B | 2SK366 | ||||
| 2SK367 | " | LN, CC | " | -100 | GDS | 200 | 125 | 0.6 | 6.5 | 10 | 1.5 | 4.6 | 10 | " | 13 | 3 | 70A | 2SK367 | |||||
| 2SK368 | " | " | " | -100 | GDS | 150 | 125 | 0.6 | 6.5 | 10 | 1.5 | 4.6 | 10 | " | 13 | 3 | 105A | 2SK368 | |||||
| 2SK369 | " | LF, LN | " | -40 | GDS | 400 | 125 | 5 | 30 | 10 | 25 | 40 | 10 | " | 75 | 15 | 82C | 2SK369 | |||||
| 2SK370 | " | " | " | -40 | GDS | 200 | 125 | 2.6 | 20 | 10 | 8 | 22 | 10 | " | 30 | 6 | 2SJ108とコンプリ | 70B | 2SK370 | ||||
| 2SK371 | " | " | " | -40 | GDS | 200 | 125 | 5 | 30 | 10 | 25 | 40 | 10 | " | 75 | 15 | 70B | 2SK371 | |||||
| 2SK372 | " | LF, A-SW | " | -40 | GDS | 200 | 125 | 5 | 30 | 10 | 25 | 60 | 10 | " | 75 | 15 | 70B | 2SK372 | |||||
| 2SK373 | " | LF, CC | " | -100 | GDS | 400 | 125 | 0.6 | 6.5 | 10 | 1.5 | 4.6 | 10 | " | 13 | 3 | 82B | 2SK373 | |||||
| 2SK374 | 松下 | LF, SW | " | -55 | GDO | 30 | 200 | 125 | 1 | 20 | 10 | 2.5 | 7.5 | 10 | 5 | 6.5 | 1.9 | 133 | 2SK374 | ||||
| 2SK375 | 日立 | HF PA, HS PSW | MOS | 300 | DSS | 1A | 10W | 150 | 1 | 240 | 200 | 400 | 10 | 500 | 140 | 23 | 150 | 2SK375 | |||||
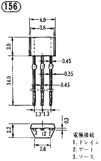
| 2SK376 | 三洋 | C-Mic | J | -20 | GDO | 100 | 125 | 0.06 | 0.8 | 5 | 156 |
2SK376 | |||||||||||
| 2SK377 | " | " | " | -20 | GDO | 100 | 125 | 0.06 | 0.8 | 5 | 127 |
2SK377 | |||||||||||
| 2SK378 | 松下 | V・UHF広帯域増幅 | GaAs | 5 | DSX | 150 | 350 | 125 | 15 | 130 | 3 | 40 | 75 | 3 | 30 | 91A | 2SK378 | ||||||
| 2SK379 | " | SW-Reg, DDC | MOS | 400 | DSS | 8A | 100W | 150 | 1 | 400 | 2.5S | 4S | 25 | 5A | 800 | 30 | 140 |
2SK379 | |||||
| 2SK380 | " | " | " | 450 | DSS | 8A | 100W | 150 | 1 | 400 | 2.5S | 4S | 25 | 5A | 800 | 30 | 140 | 2SK380 | |||||
| 2SK381 | 三菱 | LF, A-SW | J | -50 | GDO | 10 | 300 | 125 | 0.3 | 12 | 10 | 1 | 3 | 10 | IDSS | 8 | 1.5 | 2SJ40とコンプリ | 151 |
2SK381 | |||
| 2SK382 | 日立 | HF PA, HS PSW | MOS | 500 | DSS | 2A | 30W | 150 | 1 | 400 | 400 | 700 | 10 | 1A | 440 | 13 | 116B |
2SK382 | |||||
| 2SK383 | " | " | " | 100 | DSS | 10A | 50W | 150 | 1 | 80 | 1.5S | 2.8S | 10 | 5A | 1100 | 80 | 116B |
2SK383 | |||||
| 2SK384 | " | " | " | 500 | DSS | 300 | 10W | 150 | 1 | 400 | 60 | 100 | 10 | 200 | 70 | 5 | 150 |
2SK384 | |||||
| 2SK385 | 東芝 | HS SW | " | 400 | DSX | 10A | 120W | 150 | 1 | 400 | 3S | 5S | 10 | 5A | 1500 | 2000 | 140 | 300 | 141 |
2SK385 | |||
| 2SK386 | " | " | " | 450 | DSX | 10A | 120W | 150 | 1 | 450 | 3S | 5S | 10 | 5A | 1500 | 2000 | 140 | 300 | 141 | 2SK386 | |||
| 2SK387 | " | " | " | 150 | DSX | 12A | 150W | 150 | 1 | 150 | 3S | 6S | 10 | 10A | 1600 | 2200 | 350 | 600 | 141 | 2SK387 | |||
| 2SK388 | " | " | " | 250 | DSX | 12A | 150W | 150 | 1 | 250 | 3S | 6S | 10 | 10A | 1600 | 2000 | 220 | 320 | 141 | 2SK388 | |||
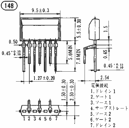
| 2SK389 | " | LF LN | J | -50 | GDS | 200 | 125 | 2.6 | 20 | 10 | 8 | 20 | 10 | IDSS | 25 | 5.5 | 2SJ109とコンプリ | 148 |
2SK389 | ||||
| 2SK398 | 日立 | HF PA, HS PSW | MOS | 100 | DSS | 10A | 100W | 150 | 1 | 80 | 1.5S | 2S | 10 | 5A | 800 | 70 | 2SJ112とコンプリ | 28B |
2SK398 | ||||
| 2SK399 | " | " | " | 100 | DSS | 10A | 100W | 150 | 1 | 80 | 1.5S | 2S | 10 | 5A | 800 | 70 | 2SJ113とコンプリ | 149 |
2SK399 | ||||
| 2SK400 | " | " | " | 200 | DSS | 8A | 100W | 150 | 1 | 160 | 1S | 1.8S | 10 | 4A | 800 | 60 | 2SJ114とコンプリ | 149 | 2SK400 | ||||
| 型名 | 社名 Mnf. |
用途 App. |
構造 Type |
(V) | mode | (mA) | (mW) | (゚C) | min | max | (V) |
min | typ | max | (V) |
(mA) |
typ | max | typ | max | その他 |
外形 Pac. Dim. No. |
型名 |
| V*** | ID | Pd/Pch | Tj/Tch | VDS | VDS | ID | |||||||||||||||||
| IDSS(mA) | gm(mS) | Cis(pF) | Crs(pF) | ||||||||||||||||||||
| 前へ | FET規格表一覧へ | 次へ |